mani6mani6
Electra 3 Way Manifold Valves – H Type

Product Category

Electra 3 Way Manifold Valves – H Type

Share to:

Description :

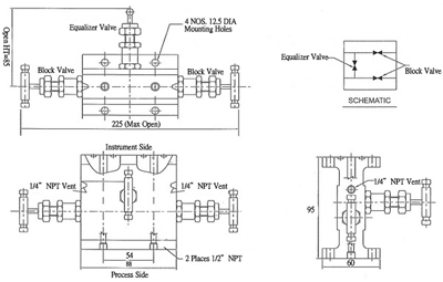
H-type (dual flange, flange to flange) manifolds bolt directly to the differential pressure instruments which eliminates the need for unnecessary piping, valves, and fittings. H-type manifold is designed for close.

Specification :

Features :

1. Bonnet lock pins prevent accidental loosening.
2. Free-swiveling ball end stem (metal seat, std.) assures bubble-tight valve closure without seat galling. The special hardened ball seat is ideal for both gas and liquid service.
3. All stem packing is located below the stem threads to prevent galling, corrosion and contamination by the process media.
4. The packing is adjustable with less possibility of bonnet/body leaks.
5. Full back-seated bonnets prevent accidental stem removal and blowout. The unique design minimizes emissions while offering easy access to the packing.
6. Max. pressure rating (metal seated), 6000PSIG at 200? (414bar at 93?)
7. Pressure rating at max. temp.: PTFE-4130 psig at 450? (284bar at 232?) and Grafoil-1500psig at 1000?.
8. The orifice size: 0.156 inch (4.0mm).