Product Category
Lubricated Plug Valve
Share to:
Special Features:
The oldest design of the valve comprises a body with a tapered, or less frequently, a parallel plug. Design variants include Non-lubricated, Fluoropolymer, Lubricated, and Pressure balanced designs, principally designed for on/off isolation of fluids they have inherent quick opening flow characteristics similar to bail valves, although specially designed eccentric plug designs may be used for flow control applications.
They can be automated by means of quarter-turn actuators, Please click on the Sinks below, to know more about each of the Plug Valve
PLUG VALVES - 2 WAY
PLUG VALVES - 3 WAY
PLUG VALVES - JACKETED
PLUG VALVES - CAGED
PLUG VALVES - LUBRICATED
Technical Specifications
Technical Data
MANUFACTURING STANDARD: Generally Conforming to MSS-SP 78/BS5851
FACE TO FACE: DIN 3202(PART-1)
END CONNECTION: fLANGED ENDS TO ANSI B.16 1FF 125#/BS10 TABLE-'F'
SCREW ENDS TO BSP/BSPT/NPT
INSPECTION AND TESTING STANDARD: Generally Conforming to MSS-SP 78/B 6755(PART-1)
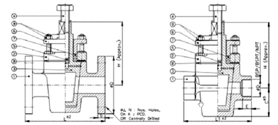
| P NO | Qty | Nomenclature | Material |
| 1 | 1 | BODY | C.I IS 210 Gr.FG200 |
| 2 | 1 | COVER | C.I IS 210 Gr.FG200 |
| 3 | 1 | PLUG | C.I IS 210 Gr.FG200 |
| 4 | 1 | LUBRICATING SCREW | CARBON STEEL |
| 5 | 1 | CHECK VALVE | CARBON STEEL |
| 6 | 1 | GLAND | C.I IS 210 Gr.FG200 |
| 7 | 1 | GLAND PACKINGS | GRAPHITE ASBESTOS |
| 8 | 3 | GASKET | CAF |
| 9 | 1 | STUDS & NUTS | CARBON STEEL |
| HYDROSTATIC TEST PRESSURE | ||||
|
| All Dimension are M.M | ||||||||||||||||
| SIZE | 15 | 20 | 25 | 32 | 40 | 50 | 65 | 80 | 100 | 125 | 150 | |||||
| L FACE TO FOCE FF | 120.65 | 120.65 | 139.7 | 152.4 | 165.1 | 203.2 | 222.25 | 241.3 | 304.8 | 355.6 | 393.7 | |||||
| H | 102 | 115 | 125 | 138 | 160 | 175 | 200 | 227 | 250 | 293 | 327 | |||||
| ANSI B16.1 FF 125# | ||||||||||||||||
| øD | 88.9 | 99.55 | 107.9 | 117.34 | 127 | 152.4 | 177.8 | 190.5 | 288.6 | 254 | 279.4 | |||||
| B | 9.65 | 10.41 | 11.17 | 12.7 | 14.22 | 15.75 | 17.53 | 19.05 | 23.88 | 25.4 | 28.45 | |||||
| øJ | 15.75 | 15.75 | 15.75 | 15.75 | 15.75 | 19.05 | 19.05 | 19.05 | 19.05 | 22.35 | 22.35 | |||||
| N | 4 | 4 | 4 | 4 | 4 | 4 | 4 | 4 | 8 | 8 | 8 | |||||
| K:PCD | 60.45 | 69.85 | 79.25 | 89.9 | 98.55 | 120.55 | 139.7 | 152.4 | 190.5 | 215.9 | 241.3 | |||||
| BS 10 TABLE -'F' | ||||||||||||||||
| øD | 95.25 | 101.6 | 120.65 | 133.35 | 139.7 | 165.1 | 184.15 | 203.2 | 228.6 | 279.4 | 304.8 | |||||
| B | 12.7 | 12.7 | 12.7 | 15.87 | 15.87 | 15.87 | 19.05 | 19.05 | 22.22 | 22.22 | 22.22 | |||||
| øJ | 14.28 | 14.28 | 19.05 | 19.05 | 19.05 | 19.05 | 19.05 | 19.05 | 22.22 | 25.4 | 25.4 | |||||
| N | 4 | 4 | 4 | 4 | 4 | 8 | 8 | 8 | 8 | 8 | 12 | |||||
| K:PCD | 66.67 | 73.02 | 87.31 | 98.42 | 104.77 | 127 | 146.05 | 165.1 | 190.5 | 234.95 | 260.35 | |||||
| SCREWED ENDS | ||||||||||||||||
| LI FOCE TO FOCE-SCR | 89 | 95 | 112 | 127 | 133 | 152 | 175 | 197 | 273 | ...... | ..... | |||||
| C | 35 | 46 | 49 | 58 | 65 | 76 | 92 | 107 | 136 | ..... | ..... | |||||
| øD(BSP/BSPT/NPT) | 1/21- | 3/4- | 1" | 1.1/4" | 1.1/2" | 2* | 2.1/2" | 3" | 4" | ..... | .... | |||||
| E | 13.56 | 13.87 | 17.35 | 17.95 | 18.38 | 19.23 | 28.89 | 30.48 | 33.02 | .... | .... | |||||







